Das CT300 Meteor von Dr. Eschke lässt sich flexibel in jede beliebige Testumgebung integrieren und kann als MDA-System (MDA = Manufacturing Defect Analyzer), ICT-System, Funktions- oder Kombinationstester konfiguriert werden. Das großzügig bemessene Rack lässt den Einbau zahlreicher Optionen zu, um den Prüfumfang genau auf Ihre Produkte abzustimmen.
Das CT300 Meteor zeichnet sich in erster Linie durch seine Flexibilität, seine Mixed-Signal-Eigenschaften, schnelle Testverfahren und sehr gute Messgenauigkeiten aus. Das System ist modular, skalierbar, hoch integriert und leicht zu bedienen.
Das zentrale Steuermodul im CT300 Meteor ist mit einem RISC/DSP-Echtzeitprozessor ausgestattet, der die schnelle Kommunikation mit dem Steuer-PC, die Tester-Parametrierung, die Testablaufsteuerung inklusive Taktgenerierung und den Tester-Selbsttest sicherstellt. Es stellt vier Versorgungsspannungen, eine Schnittstelle zur externen Tester-Synchronisation und ein frei programmierbares Handler-Steuer-Interface bereit. Außerdem stehen jeweils 16 Optokoppler-Ein- und Ausgänge zur Verfügung, die u.a. für die Steuerung von Handling-Systemen genutzt werden können.
Das zentrale analoge Messmodul enthält ein Digital-Scope, einen Vektor-Signal-Generator bzw. Arbitrary-Waveform-Generator, zwei 4-Quadrantenquellen, 2 AD-Wandler-Kanäle für Standardmessungen, einen Frequenzzähler und 2 Guarding-Operationsverstärker. An jedem Testpunkt im Adapter kann über die Scanner-Matrix das Digital-Scope der zentralen analogen Messeinheit geschaltet werden.
Die Messung von Strömen ist bereits im Bereich von 1 nA möglich und reicht bis in den Bereich von 11 A.
Zusätzlich verfügt das Testsystem CT300 Meteor über ein High-Power-Analog-Modul mit der Möglichkeit der Polaritätsumschaltung, galvanischer Trennung und elektronischer Sicherung.
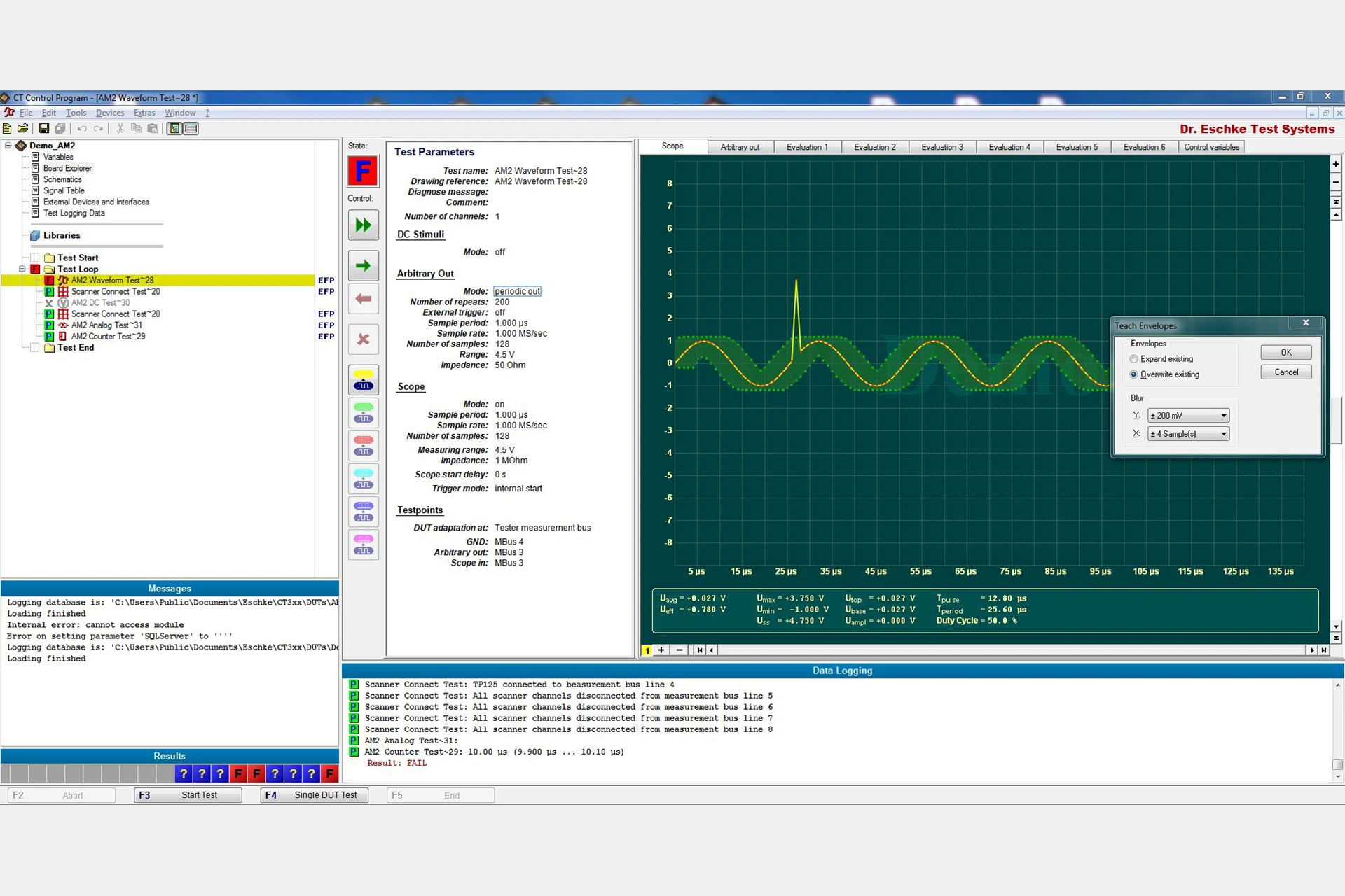
Über die verschiedenen digitalen Scopes kann der Anwender komfortabel mit wenigen Mausklicks parametrierbare Signal-Einhüllende (Envelopes) definieren.







